网站首页
关于我们
新闻资讯
产品中心
服务
资料下载
人才招聘
联系我们
成套产品
配件产品
产品详情
-
返回列表
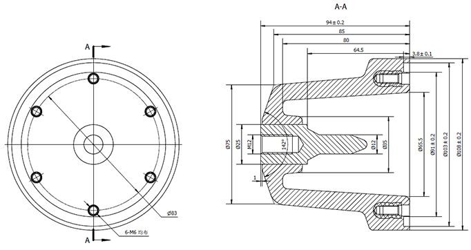
产品名称:
KRBI-94.5/12(T)母联套管
型号
KRBI-94.5/12(T)
技术参数
电压等级:12kV
工频耐压:65kV/1min(
局放试验:≤5pC@14.4kV
TG值:100±5℃
泄漏率:≤10^-8
上一篇:
双通套管
下一篇:
KRBI-106.3/12(T)母联套管