产品详情 - 返回列表
产品名称:LSY-10三相一体式电流互感器
概述
LSY型三相一体式电流互感器适合安装在环网开关柜和主柱上开关的三相套管上,用于三相电流和零序电流的测量和保护,也可用于多根电缆回路的零序电流的测量和保护。
型号含义

技术参数
1.额定绝缘水平12/42/75kV.
2.额定频率 :50Hz or 60Hz
3.环境温度 :-25℃-+40℃
4.额定二次电流 :5A 或 1A
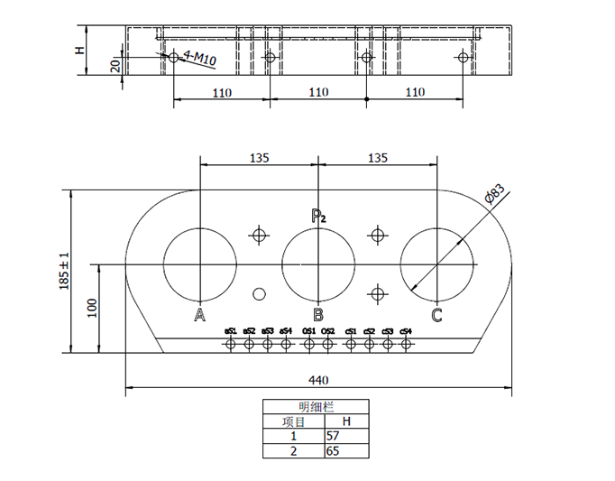
外形尺寸图

概述
LSY型三相一体式电流互感器适合安装在环网开关柜和主柱上开关的三相套管上,用于三相电流和零序电流的测量和保护,也可用于多根电缆回路的零序电流的测量和保护。
型号含义

技术参数
1.额定绝缘水平12/42/75kV.
2.额定频率 :50Hz or 60Hz
3.环境温度 :-25℃-+40℃
4.额定二次电流 :5A 或 1A
外形尺寸图
